| Category | Series | File Type | File Name | |
|---|---|---|---|---|
| {{ isCn?item.group2NameCn||'-' : item.group2NameEn||'-'}} | {{ isCn?item.group8NameCn : item.group8NameEn}} | - | {{item.attachDesc}} | {{item.attachName}} |
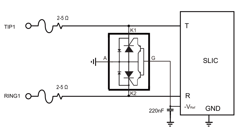
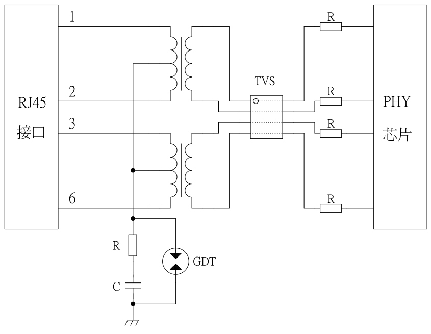
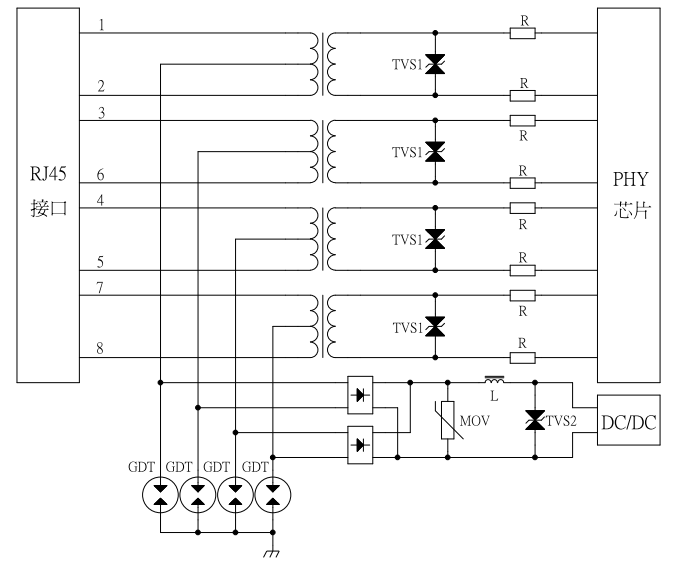
The Gigabit Ethernet port is a critical data highway for modern network equipment, yet its physical interface and internal chips are highly vulnerable to damage from surges caused by lightning, electrostatic discharge, and power fluctuations. Our Gigabit Ethernet Port Protection Solution offers a comprehensive safeguard. By integrating professional surge suppression components, it rapidly absorbs and diverts abnormal overvoltage, ensuring stable port operation even in harsh electrical environments. This solution significantly reduces equipment failure rates and maintenance costs while guaranteeing high-speed network continuity, making it an essential investment for the reliability of your network infrastructure.
■ Global warming, more thunderstorms ■ The damage of network equipment by lightning is serious ■The cost of repairing the network equipment damaged by lightning is high ■ High surge protection equipment becomes the industry trend
■ Global warming is leading to an increase in thunderstorm weather ■Damage to network equipment caused by lightning strikes can be highly hazardous ■ After lightning damage to network equipment, the maintenance cost is high ■ High surge protection equipment has become an industry trend
Climate warming leads to an increase in thunderstorms POE power supply and signal coexist, thus increasing the difficulty of protection
Global climate warming, increasing thunderstorm weather Traditional semiconductor protection solutions cannot achieve external programming
Global warming leads to an increase in thunderstorm weather Severe hazards arise after power supplies are damaged by lightning strikes High maintenance costs are incurred following lightning-induced power supply failures Power supplies with high surge protection have become an industry trend
Global warming leads to an increase in thunderstorm weather The DC-48V base station power supply cable runs a long distance from the equipment room to the Radio Remote Unit (RRU), making it vulnerable to lightning interference High surge protection of 20KA differential mode and 20KA common mode is required Traditional solutions are either bulky or costly