Application Background
■ Global warming, more thunderstorms
■ The damage of network equipment by lightning is serious
■The cost of repairing the network equipment damaged by lightning is high
■ High surge protection equipment becomes the industry trend
Program Description and Precautions
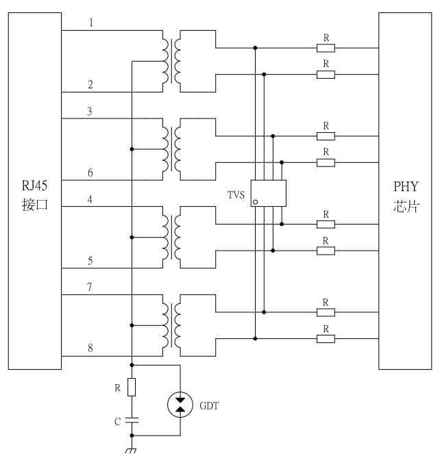
■ This solution utilizes GDT to implement common-mode (eight-wire) surge protection at the transformer's front end.
■ The TVS with small volume and low junction capacitance is used to absorb the differential mode energy at the back of the network transformer. The TVS has fast response time and can protect against static electricity.
■ Complies with 802.11 electrical standards
■ Complies with IEC61000-4-5, GB/T17626.5 and other IEEE test standards
■Complies with IEC61000-4-2, GB/T17626.2 and other electrostatic testing standards
Application of the Solution
■The first computer
■Home desktop computer
■ Industrial PC
■ exchange board
■ router
■Gun equipment
■ network printer
■ Set-Top Box
■Intelligent Transportation System
■ Other Ethernet port devices
protective circuit diagram

product appearance

size of product

customized service
Fill in the requirements
your message
Online Service
contact customer service
consult