We provide comprehensive industry solutions covering chip design, manufacturing processes, packaging and testing, as well as application development. Through our professional services and technical support, customers can improve production efficiency, reduce costs, and ensure product quality and reliability. Our solutions can be customized to meet the specific needs of different industries, such as automotive electronics, consumer electronics, telecommunications, and the Internet of Things (IoT). In the highly competitive IC industry, our solutions will help customers gain a competitive advantage. By choosing our IC industry solutions, you will obtain fast and reliable chip design and production, driving your business to new levels of success.
solution consultation
Global climate warming, increasing thunderstorm weather Traditional semiconductor protection solutions cannot achieve external programming
Climate warming leads to an increase in thunderstorms POE power supply and signal coexist, thus increasing the difficulty of protection
■ Global warming is leading to an increase in thunderstorm weather ■Damage to network equipment caused by lightning strikes can be highly hazardous ■ After lightning damage to network equipment, the maintenance cost is high ■ High surge protection equipment has become an industry trend
■ Global warming, more thunderstorms The damage of network equipment by lightning is serious ■The cost of repairing the network equipment damaged by lightning is high High surge protection equipment becomes the industry trend
■ Global warming, more thunderstorms ■ The damage of network equipment by lightning is serious ■The cost of repairing the network equipment damaged by lightning is high ■ High surge protection equipment becomes the industry trend
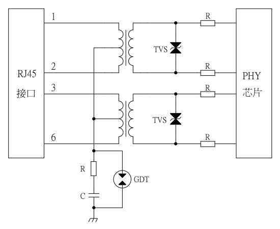
The Gigabit Ethernet port is a critical data highway for modern network equipment, yet its physical interface and internal chips are highly vulnerable to damage from surges caused by lightning, electrostatic discharge, and power fluctuations. Our Gigabit Ethernet Port Protection Solution offers a comprehensive safeguard. By integrating professional surge suppression components, it rapidly absorbs and diverts abnormal overvoltage, ensuring stable port operation even in harsh electrical environments. This solution significantly reduces equipment failure rates and maintenance costs while guaranteeing high-speed network continuity, making it an essential investment for the reliability of your network infrastructure.
Optical modules are commonly used in various environments, including scenarios where sulfurization gases may be present. Sulfide gases mainly come from industrial emissions, volcanic activity in the natural environment, and certain specific chemical processes. These sulfurized gases, such as hydrogen sulfide (H ₂ S), have strong chemical activity and are prone to react with metallic materials.
The frequency converter is controlled by multi-stage speed. When it senses proximity switch 1, it runs at low speed. During operation, it encounters proximity switch 2 and runs at high speed. There are two ways to write the program: the first is hardwired control. When the proximity switch senses it, the PLC immediately outputs the corresponding terminal to control the speed. The other is communication writing frequency. When proximity switch 1 is sensed, the preset low speed frequency is written. When proximity switch 2 is sensed, the preset high speed frequency is written.
On May 14th, Yongtai Energy announced that the company had signed an equity transfer agreement with Hyde Group to acquire 49% of the equity of Beijing Detai Energy Storage Technology Co., Ltd. (hereinafter referred to as "Detai Energy Storage"). After the completion of this equity acquisition, Yongtai Energy will hold 100% equity of Detai Energy Storage.