Application Background
Global warming leads to an increase in thunderstorm weather
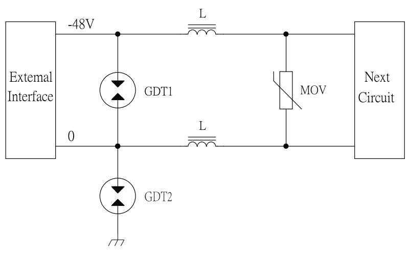
The DC-48V base station power supply cable runs a long distance from the equipment room to the Radio Remote Unit (RRU), making it vulnerable to lightning interference
High surge protection of 20KA differential mode and 20KA common mode is required
Traditional solutions are either bulky or costly
Solution Description & Precautions
The rear stage of this solution adopts Metal Oxide Varistors (MOV) with fast response time and low residual voltage
The front stage uses Surface Mount Gas Discharge Tubes (GDT1) featuring large discharge capacity, strong follow current interruption capability and low residual voltage
An inductor L with inductance of 6μH-10μH is used in the middle for decoupling to drive GDT1 to discharge large current
This power supply solution complies with surge test standards such as IEC61000-4-5 and GB/T17626.5
Solution Application
Base station -48V power supply
Protection Circuit Diagram

Product Appearance Protection

Product Specifications

customized service
Fill in the requirements
your message
Online Service
contact customer service
consult