Application Background
Global climate warming, increasing thunderstorm weather
Traditional semiconductor protection solutions cannot achieve external programming
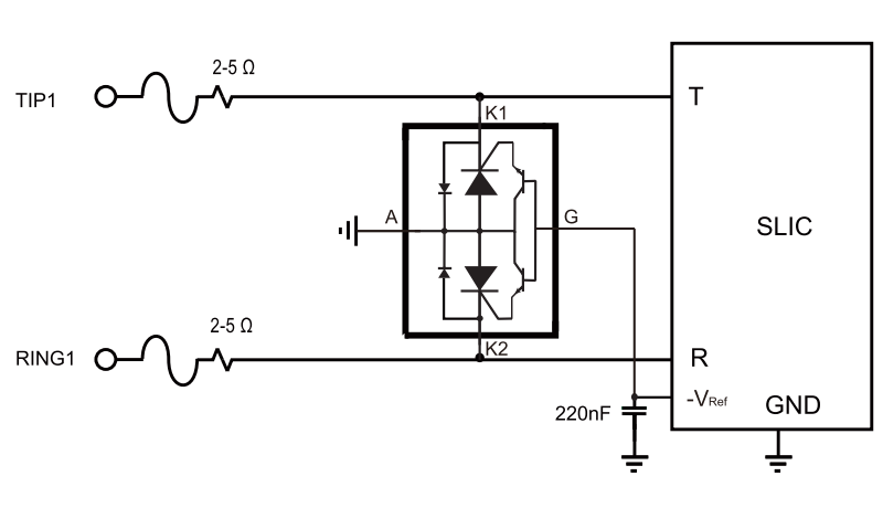
Scheme description and precautions
Adding two gate controlled transistor trigger circuits on the basis of traditional semiconductor devices
When a common mode forward surge occurs, the diode conducts in the forward direction to achieve low voltage
When a common mode negative surge occurs, the gate controlled transistor conducts, and the semiconductor transistor conducts
To ensure long-distance transmission, the maximum reference voltage can reach -170V
Can withstand 10/700-5/320 μ s combined wave of 40A
Solution Application
PBX user level switch
VOIP mobile phone
POTS traditional telephone
protection circuit diagram

product appearance

Product Specifications

customized service
Fill in the requirements
your message
Online Service
contact customer service
consult